ROZWIŃ MENU ZWIŃ MENU

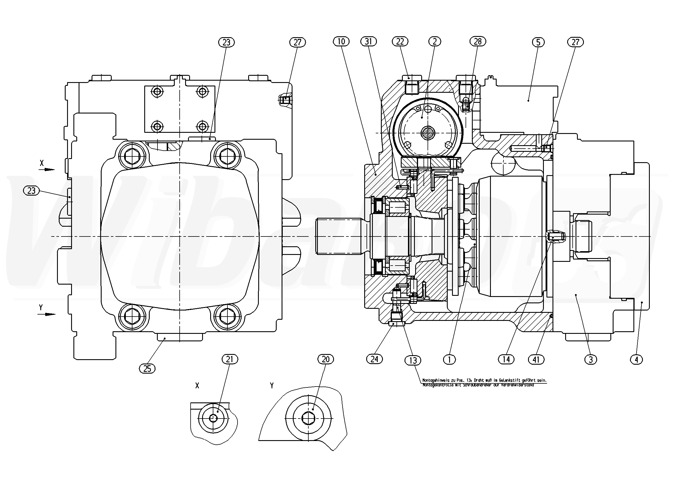
AA10VG63EP3M1/10R-NTC60N004EH (R902116637)

1

MECHANIZM NAPĘDOWY
(20853)

GRUPA »

 
2

STEROWANIE
(46710)

GRUPA »

 
3

PŁYTA POŁĄCZENIOWA
(143612)

GRUPA »

 
4

POKRYWA
(77469)

GRUPA »

 
5

MODUŁ STEROWANIA
(143773)

GRUPA »

 
10

KORPUS
(143614)

 
13

SWORZEŃ OBROTU
(10813)

 
14

SZTYFT PROSTY
(12694)

 
20

KOREK GWINTOWANY
(11369)

 
21

KOREK GWINTOWANY
(11370)

 
22

KOREK GWINTOWANY
(11371)

 
23

KOREK GWINTOWANY
(11372)

 
24

KOREK GWINTOWANY
(10220)

 
25

KOREK GWINTOWANY
(19251)

 
27

PODWÓJNY KOREK ZRYWANY
(18990)

 
28

DYSZA
(10073)

 
31

KOŁEK SPRĘŻYNUJĄCY
(10396)

 
41

O-RING
(12776)

 
98

ZESTAW USZCZELNIEŃ
(21081)

 

powrót

Powyższe schematy należą do Rexroth www.boschrexroth.com
ZAUWAŻYŁEŚ BŁĄD? ZGŁOŚ GO »
ZAUWAŻYŁEŚ BŁĄD? ZGŁOŚ GO
×

Błąd został wysłany. Dziękujemy.