ROZWIŃ MENU ZWIŃ MENU

AA10VG63DGM2/10R-NSC60F043S-ES (R902138825)
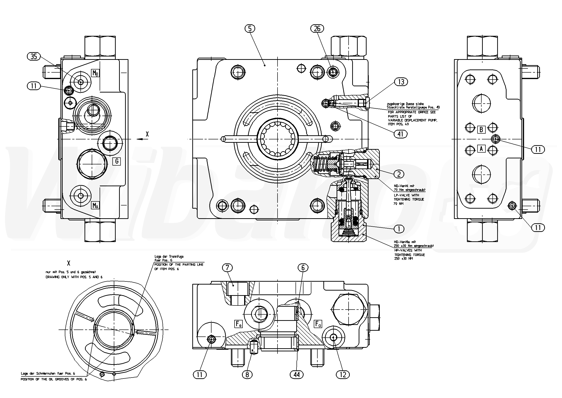
PŁYTA POŁĄCZENIOWA (145865)

PŁYTA POŁĄCZENIOWA
(145865)

 
1

HYDRAULICZNY ZAWÓR UPUSTOWY
(12208)

GRUPA »

 
2

HYDRAULICZNY ZAWÓR UPUSTOWY
(10864)

GRUPA »

 
5

PŁYTA POŁĄCZENIOWA
(145846)

 
6

TULEJA ŁOŻYSKA
(19095)

 
7

ŚRUBA Z ŁBEM WALCOWYM
(21102)

 
8

SZTYFT PROSTY
(27134)

 
11

PODWÓJNY KOREK ZRYWANY
(18990)

 
12

KOREK GWINTOWANY
(11370)

 
13

KOREK GWINTOWANY
(10330)

 
26

O-RING
(10227)

 
35

KOREK GWINTOWANY
(11371)

 
41

PODWÓJNY KOREK ZRYWANY
(10871)

 
44

ŁOŻYSKO WAŁECZKOWE
(20587)

 
98

ZESTAW USZCZELNIEŃ
(21103)

 

powrót

Powyższe schematy należą do Rexroth www.boschrexroth.com
ZAUWAŻYŁEŚ BŁĄD? ZGŁOŚ GO »
ZAUWAŻYŁEŚ BŁĄD? ZGŁOŚ GO
×

Błąd został wysłany. Dziękujemy.