ROZWIŃ MENU ZWIŃ MENU

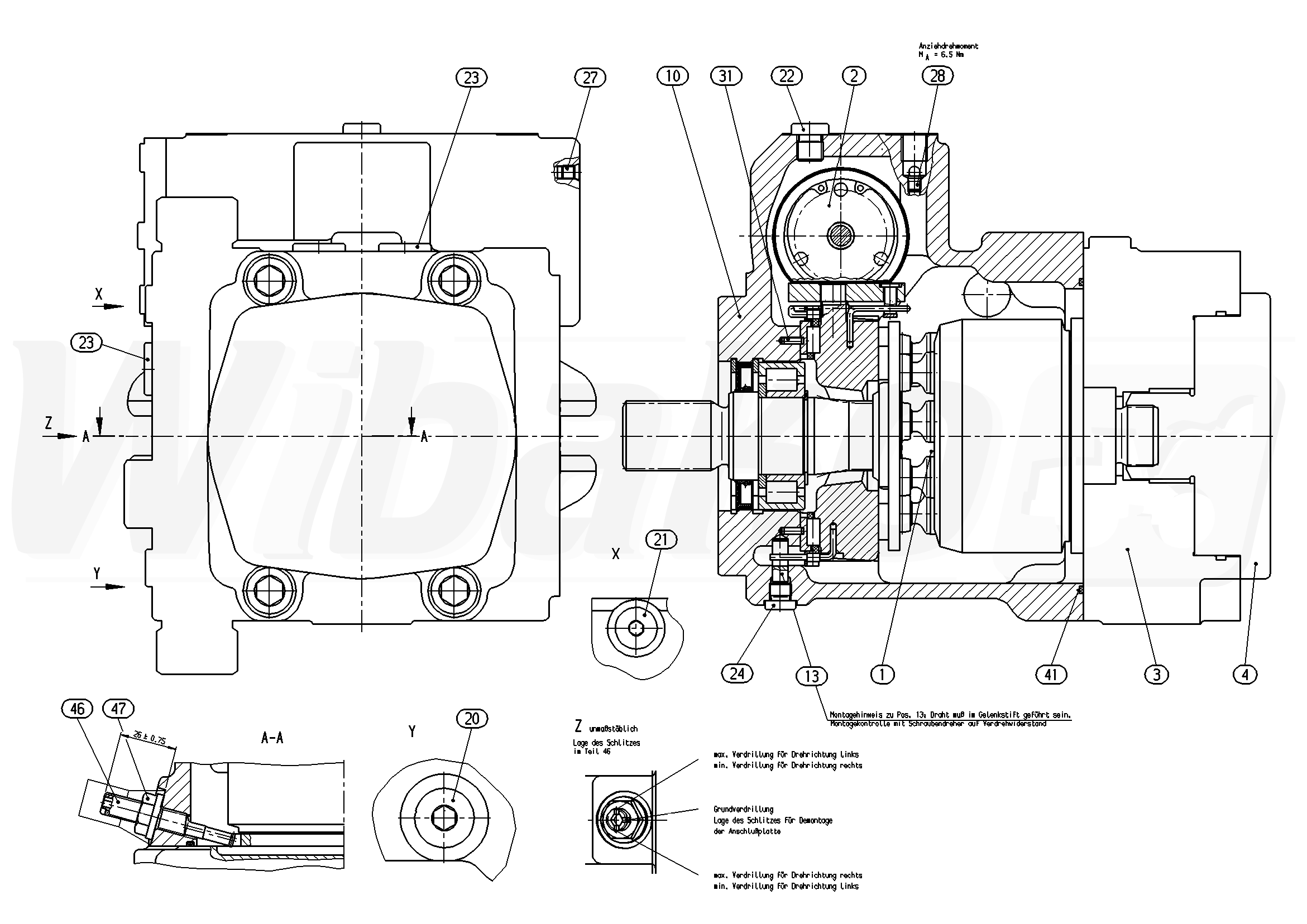
AA10VG63DGM1/10R-NSC60F043S-S (R902108442)

1

MECHANIZM NAPĘDOWY
(23057)

GRUPA »

 
2

STEROWANIE
(143487)

GRUPA »

 
3

PŁYTA POŁĄCZENIOWA
(145855)

GRUPA »

 
4

POMPA ZĘBATA O ZAZĘBIENIU
(145832)

GRUPA »

 
10

KORPUS
(145829)

 
13

SWORZEŃ OBROTU
(10813)

 
20

KOREK GWINTOWANY
(11369)

 
21

KOREK GWINTOWANY
(11370)

 
22

KOREK GWINTOWANY
(11371)

 
23

KOREK GWINTOWANY
(11372)

 
24

KOREK GWINTOWANY
(10220)

 
28

DYSZA
(14404)

 
31

KOŁEK SPRĘŻYNUJĄCY
(10396)

 
41

O-RING
(12776)

 
46

ŚRUBA MIMOŚRODOWA
(10814)

 
47

NAKRĘTKA USZCZELNIAJĄCA
(10815)

 
98

ZESTAW USZCZELNIEŃ
(143458)

 

powrót

Powyższe schematy należą do Rexroth www.boschrexroth.com
ZAUWAŻYŁEŚ BŁĄD? ZGŁOŚ GO »
ZAUWAŻYŁEŚ BŁĄD? ZGŁOŚ GO
×

Błąd został wysłany. Dziękujemy.