ROZWIŃ MENU ZWIŃ MENU

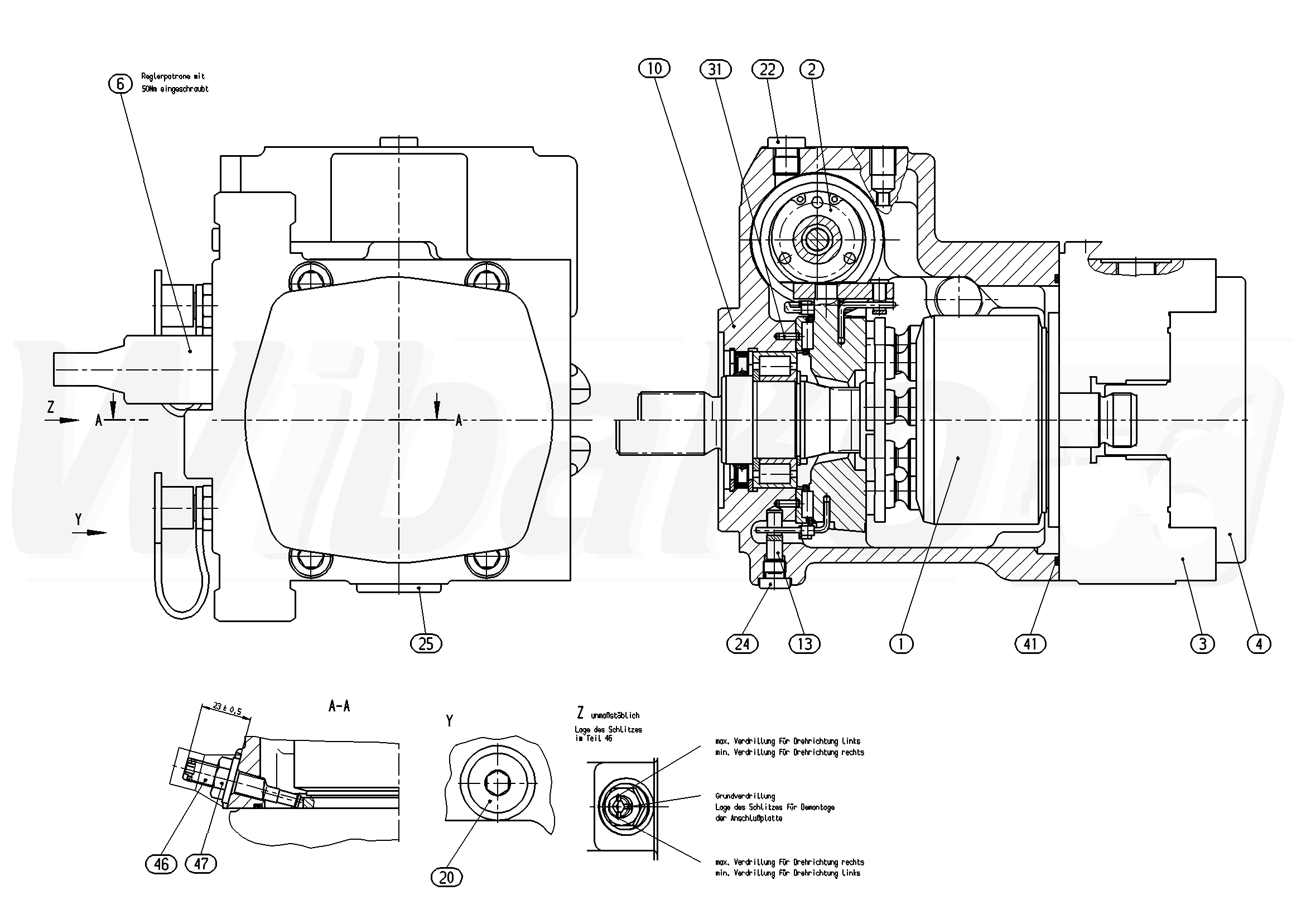
AA10VG45DG2/10R-NSCXXK045E-S (R902029752)

1

MECHANIZM NAPĘDOWY
(144834)

GRUPA »

 
2

STEROWANIE
(144826)

GRUPA »

 
3

PŁYTA POŁĄCZENIOWA
(144835)

GRUPA »

 
4

WSPORNIK NOŚNY
(144828)

GRUPA »

 
6

NABÓJ REGULACYJNY
(144836)

GRUPA »

 
10

KORPUS
(144829)

 
13

SWORZEŃ OBROTU
(10393)

 
20

KOREK GWINTOWANY
(11369)

 
22

KOREK GWINTOWANY
(11371)

 
24

KOREK GWINTOWANY
(10220)

 
25

KOREK GWINTOWANY
(19251)

 
31

KOŁEK SPRĘŻYNUJĄCY
(10396)

 
41

O-RING
(13635)

 
46

ŚRUBA MIMOŚRODOWA
(13636)

 
47

NAKRĘTKA USZCZELNIAJĄCA
(10815)

 
98

ZESTAW USZCZELNIEŃ
(140110)

 

powrót

Powyższe schematy należą do Rexroth www.boschrexroth.com
ZAUWAŻYŁEŚ BŁĄD? ZGŁOŚ GO »
ZAUWAŻYŁEŚ BŁĄD? ZGŁOŚ GO
×

Błąd został wysłany. Dziękujemy.