ROZWIŃ MENU ZWIŃ MENU

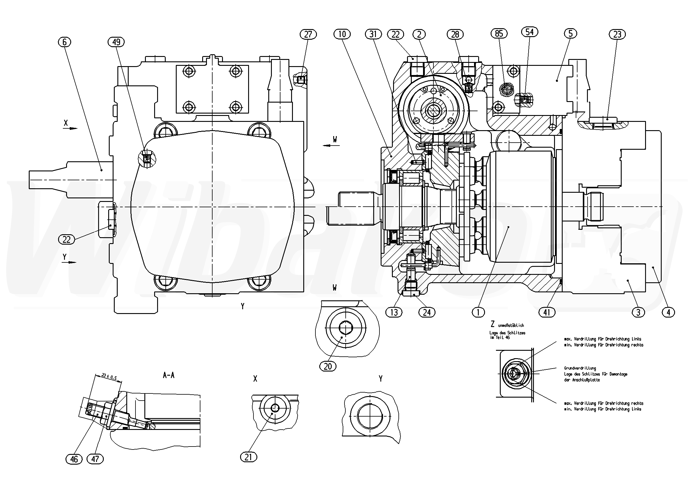
AA10VG45DA1DM8/10R-NSC60F015SQ (R902105163)

2

STEROWANIE
(62134)

GRUPA »

 
3

PŁYTA POŁĄCZENIOWA
(140455)

GRUPA »

 
4

POMPA ZĘBATA O ZAZĘBIENIU
(140456)

GRUPA »

 
5

ZAWÓR MECHANIZMU KROKOWEGO
(20154)

GRUPA »

 
6

NABÓJ REGULACYJNY
(11367)

GRUPA »

 
10

KORPUS
(140457)

 
13

SWORZEŃ OBROTU
(10393)

 
20

KOREK GWINTOWANY
(11369)

 
21

KOREK GWINTOWANY
(11370)

 
22

KOREK GWINTOWANY
(11371)

 
23

KOREK GWINTOWANY
(11372)

 
24

KOREK GWINTOWANY
(10220)

 
27

PODWÓJNY KOREK ZRYWANY
(18990)

 
31

KOŁEK SPRĘŻYNUJĄCY
(10396)

 
41

O-RING
(13635)

 
47

NAKRĘTKA USZCZELNIAJĄCA
(10815)

 
49

DYSZA
(10618)

 
54

DYSZA
(10619)

 
60

ŚRUBA MIMOŚRODOWA
(13636)

 
85

ELEMENT STERUJĄCY
(10816)

GRUPA »

 

powrót

Powyższe schematy należą do Rexroth www.boschrexroth.com
ZAUWAŻYŁEŚ BŁĄD? ZGŁOŚ GO »
ZAUWAŻYŁEŚ BŁĄD? ZGŁOŚ GO
×

Błąd został wysłany. Dziękujemy.