ROZWIŃ MENU ZWIŃ MENU

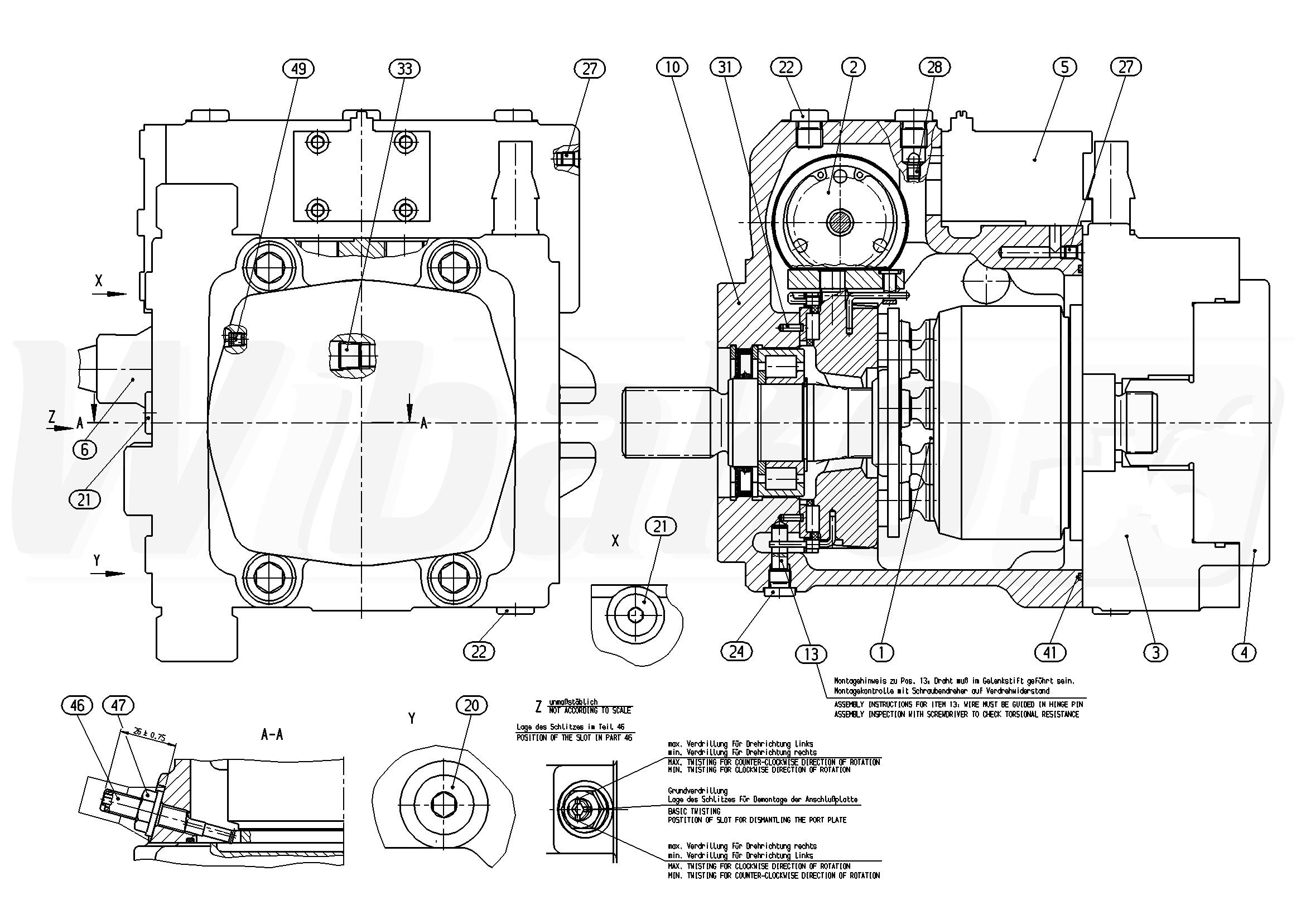
A10VG63HDD2/10R-NSC10F015D (R902035987)

1

MECHANIZM NAPĘDOWY
(23057)

GRUPA »

 
2

STEROWANIE
(20883)

GRUPA »

 
3

PŁYTA POŁĄCZENIOWA
(23060)

GRUPA »

 
4

POMPA ZĘBATA O ZAZĘBIENIU
(33152)

GRUPA »

 
5

MODUŁ STEROWANIA
(144312)

GRUPA »

 
6

NABÓJ REGULACYJNY
(10391)

GRUPA »

 
10

KORPUS
(143329)

 
13

SWORZEŃ OBROTU
(10813)

 
20

KOREK GWINTOWANY
(10397)

 
21

KOREK GWINTOWANY
(10015)

 
22

KOREK GWINTOWANY
(10190)

 
24

KOREK GWINTOWANY
(10220)

 
27

PODWÓJNY KOREK ZRYWANY
(18990)

 
28

DYSZA
(10073)

 
31

KOŁEK SPRĘŻYNUJĄCY
(10396)

 
33

KOREK GWINTOWANY
(36401)

 
41

O-RING
(12776)

 
46

ŚRUBA MIMOŚRODOWA
(10814)

 
47

NAKRĘTKA USZCZELNIAJĄCA
(10815)

 
49

DYSZA
(10618)

 
98

ZESTAW USZCZELNIEŃ
(21081)

 

powrót

Powyższe schematy należą do Rexroth www.boschrexroth.com
ZAUWAŻYŁEŚ BŁĄD? ZGŁOŚ GO »
ZAUWAŻYŁEŚ BŁĄD? ZGŁOŚ GO
×

Błąd został wysłany. Dziękujemy.