ROZWIŃ MENU ZWIŃ MENU

A10VG28DA1DX/10R-NSC10F015SH-S (R902053693)

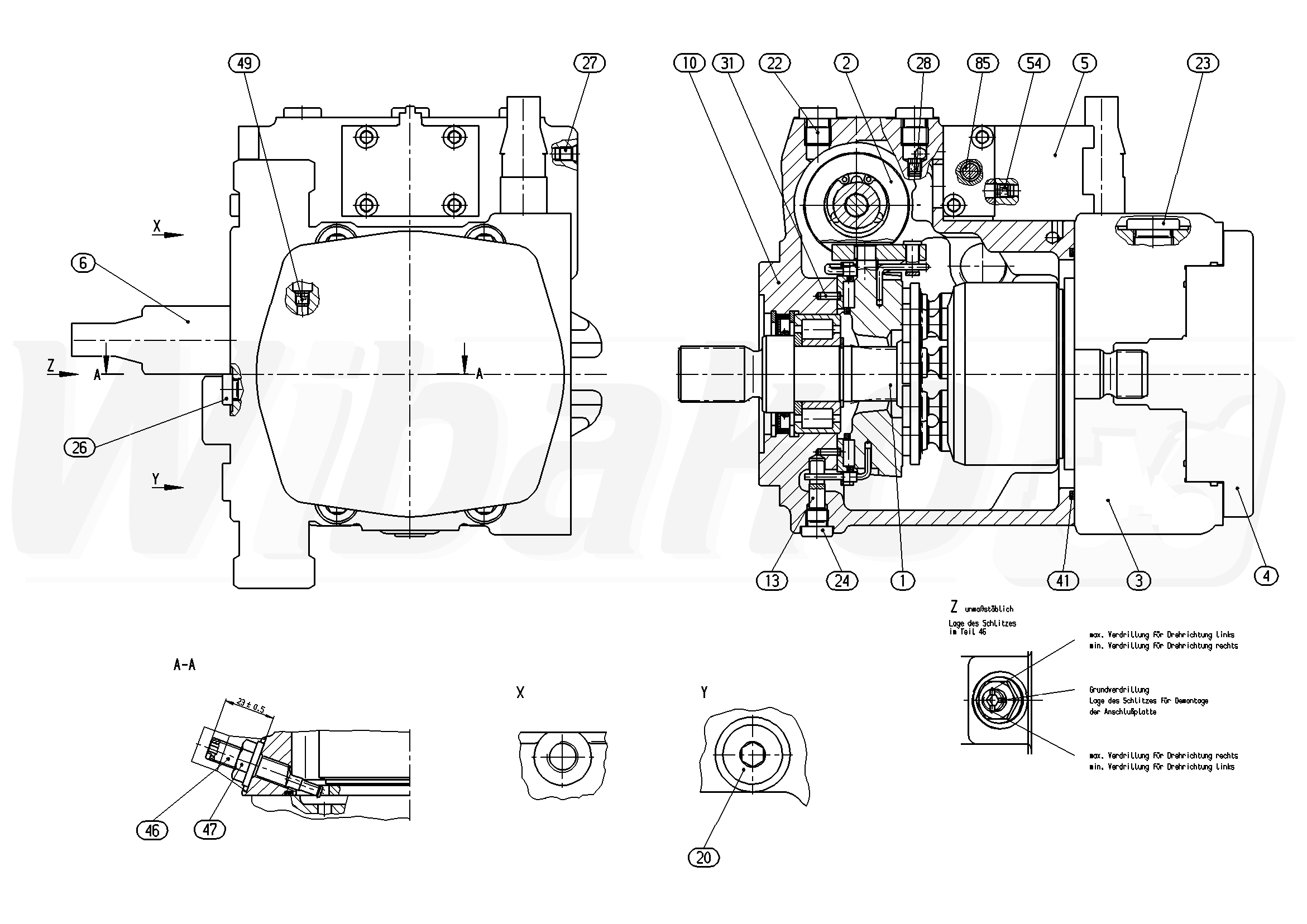
1

MECHANIZM NAPĘDOWY
(15995)

GRUPA »

 
2

STEROWANIE
(15996)

GRUPA »

 
3

PŁYTA POŁĄCZENIOWA
(15997)

GRUPA »

 
4

POMPA ZĘBATA O ZAZĘBIENIU
(15998)

GRUPA »

 
5

ZAWÓR MECHANIZMU KROKOWEGO
(138019)

GRUPA »

 
6

NABÓJ REGULACYJNY
(11367)

GRUPA »

 
10

KORPUS
(16000)

 
13

SWORZEŃ OBROTU
(10393)

 
20

KOREK GWINTOWANY
(10397)

 
22

KOREK GWINTOWANY
(10190)

 
23

KOREK GWINTOWANY
(10090)

 
24

KOREK GWINTOWANY
(10220)

 
26

KOREK GWINTOWANY
(10220)

 
27

PODWÓJNY KOREK ZRYWANY
(18990)

 
28

DYSZA
(10619)

 
31

KOŁEK SPRĘŻYNUJĄCY
(10396)

 
41

O-RING
(14435)

 
46

ŚRUBA MIMOŚRODOWA
(16001)

 
47

NAKRĘTKA USZCZELNIAJĄCA
(10815)

 
49

DYSZA
(14404)

 
54

DYSZA
(10619)

 
85

ELEMENT STERUJĄCY
(10816)

GRUPA »

 
98

ZESTAW USZCZELNIEŃ
(15696)

 

powrót

Powyższe schematy należą do Rexroth www.boschrexroth.com
ZAUWAŻYŁEŚ BŁĄD? ZGŁOŚ GO »
ZAUWAŻYŁEŚ BŁĄD? ZGŁOŚ GO
×

Błąd został wysłany. Dziękujemy.