ROZWIŃ MENU ZWIŃ MENU

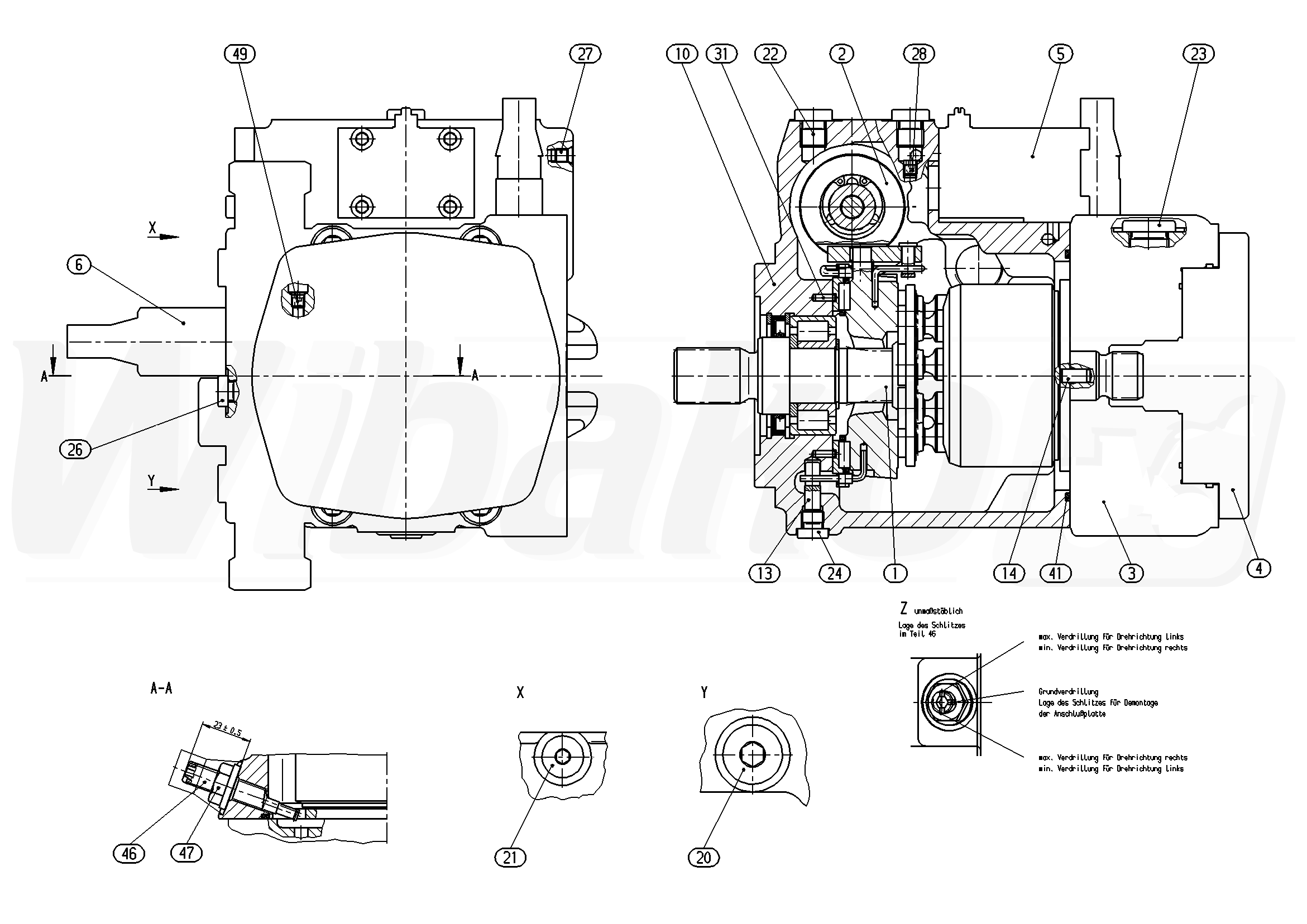
A10VG28DA1DM2/10L-NSC10F015S-S (R902008844)

1

MECHANIZM NAPĘDOWY
(15690)

GRUPA »

 
2

STEROWANIE
(137987)

GRUPA »

 
3

PŁYTA POŁĄCZENIOWA
(137982)

GRUPA »

 
4

POMPA ZĘBATA O ZAZĘBIENIU
(15998)

GRUPA »

 
5

ROZDZIELACZ
(10614)

GRUPA »

 
6

NABÓJ REGULACYJNY
(38731)

GRUPA »

 
10

KORPUS
(137988)

 
13

SWORZEŃ OBROTU
(10393)

 
20

KOREK GWINTOWANY
(10397)

 
21

KOREK GWINTOWANY
(10015)

 
22

KOREK GWINTOWANY
(10190)

 
23

KOREK GWINTOWANY
(10090)

 
24

KOREK GWINTOWANY
(10220)

 
26

KOREK GWINTOWANY
(10220)

 
27

PODWÓJNY KOREK ZRYWANY
(18990)

 
31

KOŁEK SPRĘŻYNUJĄCY
(10396)

 
41

O-RING
(14435)

 
46

ŚRUBA MIMOŚRODOWA
(16001)

 
47

NAKRĘTKA USZCZELNIAJĄCA
(10815)

 
49

DYSZA
(14404)

 
54

DYSZA
(10619)

 
98

ZESTAW USZCZELNIEŃ
(15696)

 

powrót

Powyższe schematy należą do Rexroth www.boschrexroth.com
ZAUWAŻYŁEŚ BŁĄD? ZGŁOŚ GO »
ZAUWAŻYŁEŚ BŁĄD? ZGŁOŚ GO
×

Błąd został wysłany. Dziękujemy.