ROZWIŃ MENU ZWIŃ MENU

A11VLO250DR/10R-NZD12N00 (R909437808)
PŁYTA POŁĄCZENIOWA, GWINT PRAWY (55387)

PŁYTA POŁĄCZENIOWA, GWINT PRAWY
(55387)

 
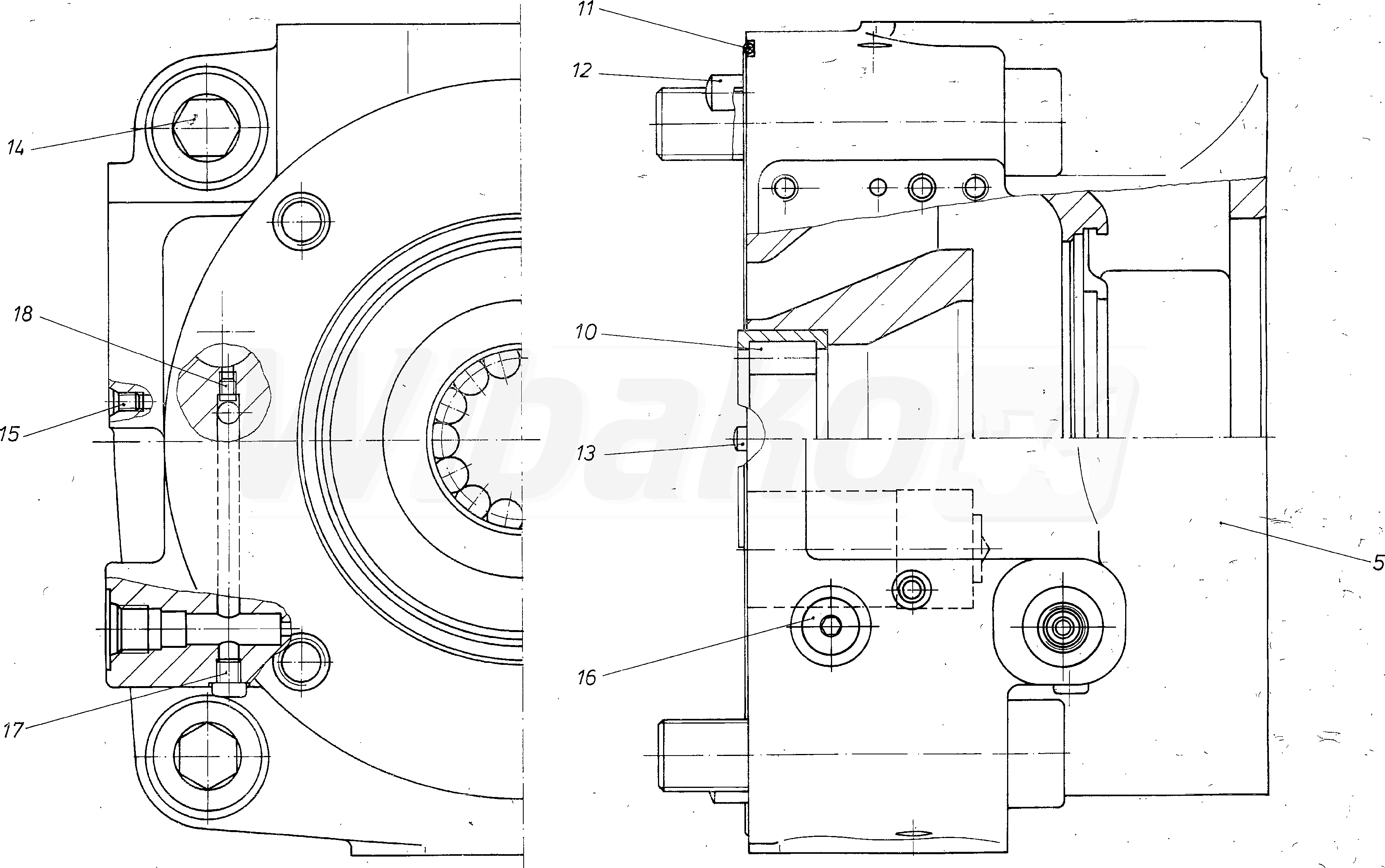
5

PŁYTA POŁĄCZENIOWA, GWINT PRAWY
(56365)

 
10

ŁOŻYSKO WAŁECZKOWE
(16690)

 
11

O-RING
(16691)

 
12

SZTYFT PROSTY
(12571)

 
13

SZTYFT PROSTY
(12572)

 
14

ŚRUBA Z ŁBEM WALCOWYM
(16692)

 
15

PODWÓJNY KOREK ZRYWANY
(19009)

 
16

KOREK GWINTOWANY
(10190)

 
17

KOREK GWINTOWANY
(10330)

 
18

DYSZA
(10711)

 

powrót

Powyższe schematy należą do Rexroth www.boschrexroth.com
ZAUWAŻYŁEŚ BŁĄD? ZGŁOŚ GO »
ZAUWAŻYŁEŚ BŁĄD? ZGŁOŚ GO
×

Błąd został wysłany. Dziękujemy.