ROZWIŃ MENU ZWIŃ MENU

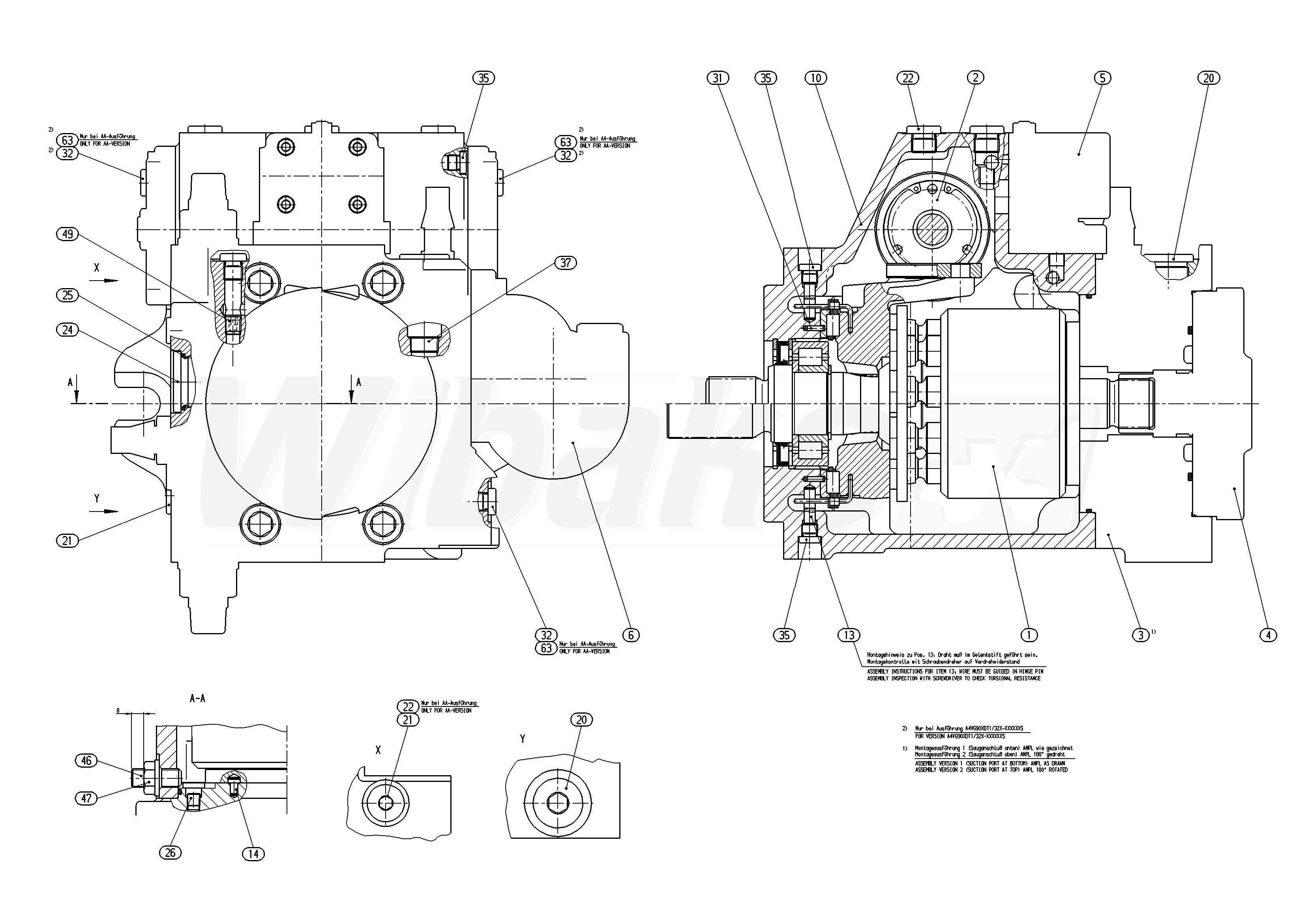
AA4VG90HDDM1/32R-NUF52F011F-S (R902075630)

Pompa tłokowa osiowa o zmiennej objętości roboczej A4VG. Wielkość nominalna 90 cm3. Seria 3, indeks 2. Kierunek obrotów (patrząc na końcówkę wału): prawy. NBR (kauczuk nitrylowy), pierścień uszczelniający wału wykonany z FKM (kauczuk fluorowy). Wał zębaty ANSI B92.1a tylko dla pomp kombinowanych – 2 pompa. Kołnierz łączący SAE J744 2+4 otwory. Z pompą doładowczą. Kołnierz SAE J744 82-2 (A), Piasta do wału zębatego 5/8 in 9T 16/32DP. Hydrauliczny zawór upustowy, sterowany ciśnieniem 100 do 420 bar z obejściem. Filtracja na przewodzie ciśnieniowym pompy doładowczej. Filtr z zaworem zimnego startu.
1

MECHANIZM NAPĘDOWY
(62760)

GRUPA »

 
2

STEROWANIE
(23678)

GRUPA »

 
3

PŁYTA POŁĄCZENIOWA
(19202)

GRUPA »

 
4

POMPA ZĘBATA O ZAZĘBIENIU
(58755)

GRUPA »

 
5

MODUŁ STERUJĄCY
(64035)

GRUPA »

 
6

FILTR
(14516)

GRUPA »

 
10

KORPUS
(19256)

 
13

SWORZEŃ OBROTU
(10393)

 
14

SZTYFT POZYCJONUJĄCY
(10183)

 
20

KOREK GWINTOWANY
(14354)

 
21

KOREK GWINTOWANY
(11372)

 
22

KOREK GWINTOWANY
(11370)

 
24

KOREK GWINTOWANY
(12195)

 
25

O-RING
(10534)

 
26

KOREK GWINTOWANY
(11753)

 
31

KOŁEK SPRĘŻYNUJĄCY
(10396)

 
35

KOREK GWINTOWANY
(10220)

 
37

KOREK GWINTOWANY
(10976)

 
46

SZTYFT GWINTOWANY
(13380)

 
47

NAKRĘTKA USZCZELNIAJĄCA
(10399)

 
49

DYSZA
(10400)

 
63

KOREK GWINTOWANY
(11371)

 
98

ZESTAW USZCZELNIEŃ
(23370)

 

powrót

Powyższe schematy należą do Rexroth www.boschrexroth.com
ZAUWAŻYŁEŚ BŁĄD? ZGŁOŚ GO »
ZAUWAŻYŁEŚ BŁĄD? ZGŁOŚ GO
×

Błąd został wysłany. Dziękujemy.