ROZWIŃ MENU ZWIŃ MENU

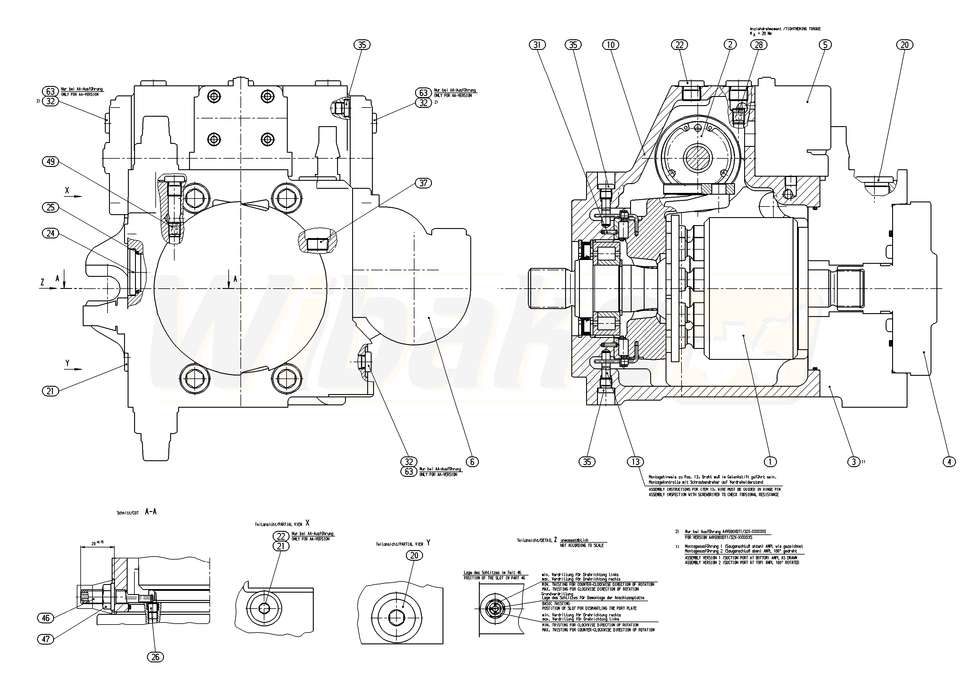
AA4VG90HDDM1/32R-NSF52FXX1F-S (R902075614)

Pompa tłokowa osiowa o zmiennej objętości roboczej A4VG. Wielkość nominalna 90 cm3. Seria 3, indeks 2. Kierunek obrotów (patrząc na końcówkę wału): prawy. NBR (kauczuk nitrylowy), pierścień uszczelniający wału wykonany z FKM (kauczuk fluorowy). Wał zębaty ANSI B92.1a dla pompy pojedyńczej. Kołnierz łączący SAE J744 2+4 otwory. Z pompą doładowczą.
1

MECHANIZM NAPĘDOWY
(21549)

GRUPA »

 
2

STEROWANIE
(23678)

GRUPA »

 
3

PŁYTA POŁĄCZENIOWA
(19202)

GRUPA »

 
4

POMPA ZĘBATA O ZAZĘBIENIU
(59197)

GRUPA »

 
5

MODUŁ STERUJĄCY
(64035)

GRUPA »

 
6

FILTR
(14516)

GRUPA »

 
10

KORPUS
(19256)

 
13

SWORZEŃ OBROTU
(10393)

 
14

SZTYFT POZYCJONUJĄCY
(10183)

 
20

KOREK GWINTOWANY
(14354)

 
21

KOREK GWINTOWANY
(11372)

 
22

KOREK GWINTOWANY
(11370)

 
24

KOREK GWINTOWANY
(12195)

 
25

O-RING
(10534)

 
26

KOREK GWINTOWANY
(11753)

 
31

KOŁEK SPRĘŻYNUJĄCY
(10396)

 
35

KOREK GWINTOWANY
(10220)

 
37

KOREK GWINTOWANY
(10976)

 
47

NAKRĘTKA USZCZELNIAJĄCA
(10399)

 
49

DYSZA
(10400)

 
63

KOREK GWINTOWANY
(11371)

 
78

ELEMENT GWINTOWANY
(24153)

GRUPA »

 
98

ZESTAW USZCZELNIEŃ
(23370)

 

powrót

Powyższe schematy należą do Rexroth www.boschrexroth.com
ZAUWAŻYŁEŚ BŁĄD? ZGŁOŚ GO »
ZAUWAŻYŁEŚ BŁĄD? ZGŁOŚ GO
×

Błąd został wysłany. Dziękujemy.