ROZWIŃ MENU ZWIŃ MENU

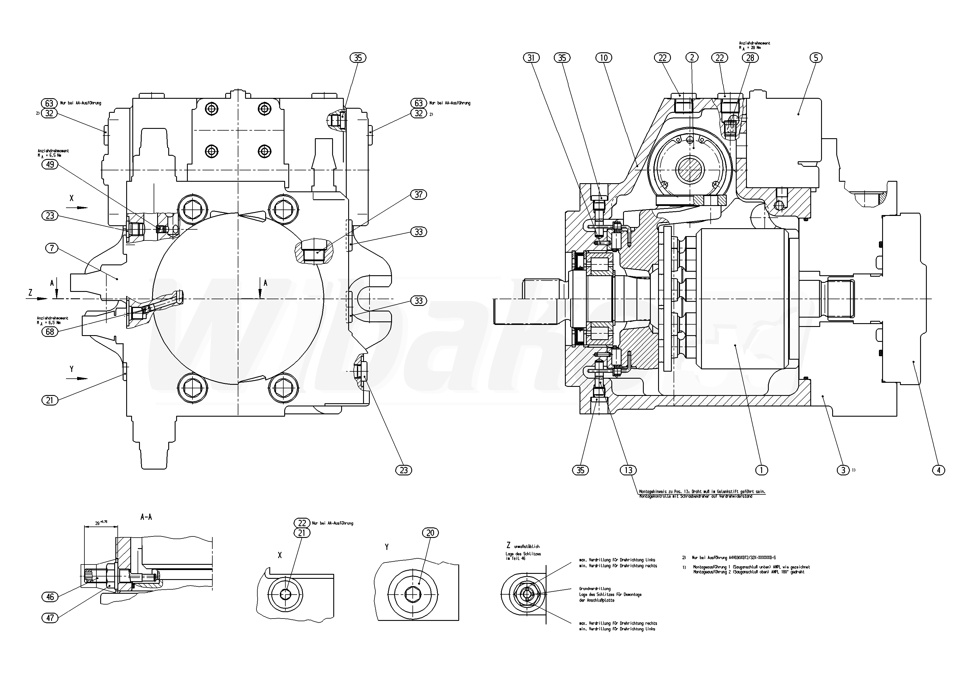
AA4VG90HDD3L/32R-NXFXXFXX1D-S (R902032636)

Pompa tłokowa osiowa o zmiennej objętości roboczej A4VG. Wielkość nominalna 90 cm3. Seria 3, indeks 2. Kierunek obrotów (patrząc na końcówkę wału): prawy. NBR (kauczuk nitrylowy), pierścień uszczelniający wału wykonany z FKM (kauczuk fluorowy).
1

MECHANIZM NAPĘDOWY
(64027)

GRUPA »

 
2

STEROWANIE
(19626)

GRUPA »

 
3

PŁYTA POŁĄCZENIOWA
(64028)

GRUPA »

 
4

POMPA ZĘBATA O ZAZĘBIENIU
(19655)

GRUPA »

 
5

MODUŁ STEROWANIA
(64029)

GRUPA »

 
7

NABÓJ REGULACYJNY
(64033)

GRUPA »

 
10

KORPUS
(19256)

 
13

SWORZEŃ OBROTU
(10393)

 
20

KOREK GWINTOWANY
(14354)

 
21

KOREK GWINTOWANY
(11372)

 
22

KOREK GWINTOWANY
(11370)

 
23

KOREK GWINTOWANY
(11371)

 
28

DYSZA
(13378)

 
31

KOŁEK SPRĘŻYNUJĄCY
(10396)

 
35

KOREK GWINTOWANY
(10220)

 
37

KOREK GWINTOWANY
(10976)

 
46

ŚRUBA MIMOŚRODOWA
(10398)

 
47

NAKRĘTKA USZCZELNIAJĄCA
(10399)

 
49

DYSZA
(10618)

 
68

DYSZA
(15103)

 
98

ZESTAW USZCZELNIEŃ
(14557)

 

powrót

Powyższe schematy należą do Rexroth www.boschrexroth.com
ZAUWAŻYŁEŚ BŁĄD? ZGŁOŚ GO »
ZAUWAŻYŁEŚ BŁĄD? ZGŁOŚ GO
×

Błąd został wysłany. Dziękujemy.