ROZWIŃ MENU ZWIŃ MENU

AA4VG90HD3DM7/32R-NSF52F071S (R902122982)
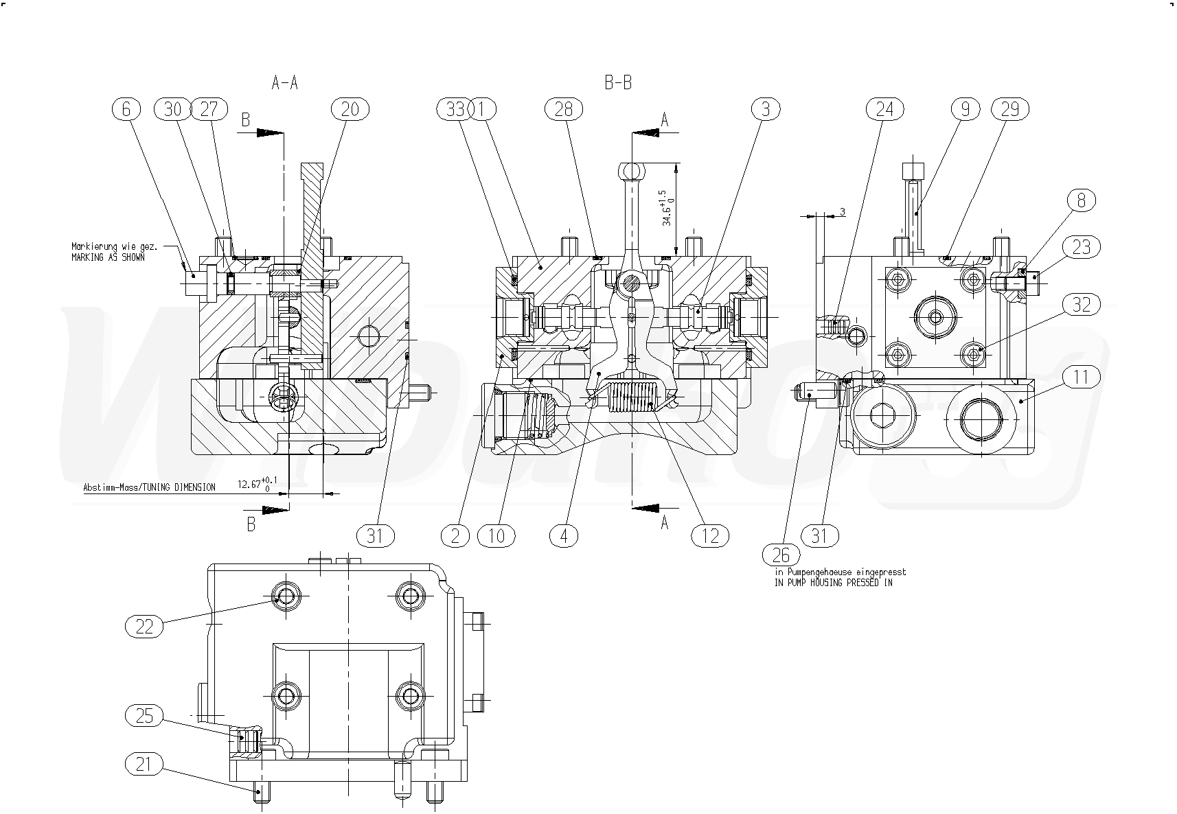
MODUŁ STEROWANIA (64236)

MODUŁ STEROWANIA
(64236)

 
1

KORPUS
(50748)

 
2

ELEMENT USTALAJĄCY POŁOŻENIE
(26112)

 
3

TŁOK STERUJĄCY
(15516)

 
4

PARA DŹWIGNI
(13407)

 
6

BOLEC MIMOŚRODOWY
(13408)

 
8

PODKŁADKA
(13410)

 
9

DŹWIGNIA SPRZĘŻENIA ZWROTNEGO
(19261)

 
10

USZCZELKA
(13412)

 
11

POKRYWA
(48006)

 
12

SPRĘŻYNA ROZCIĄGANA
(19715)

 
20

PODKŁADKA
(13416)

 
20

PODKŁADKA
(13417)

 
20

PODKŁADKA
(13418)

 
20

PODKŁADKA
(13419)

 
20

PODKŁADKA
(13420)

 
20

PODKŁADKA
(13421)

 
20

PODKŁADKA
(13422)

 
20

PODKŁADKA
(13423)

 
20

PODKŁADKA
(13424)

 
21

ŚRUBA Z ŁBEM WALCOWYM
(13198)

 
22

ŚRUBA Z ŁBEM WALCOWYM
(10785)

 
23

ŚRUBA Z ŁBEM WALCOWYM
(13425)

 
24

KOREK USZCZELNIAJĄCY
(13426)

 
25

KOREK USZCZELNIAJĄCY
(13427)

 
26

SZTYFT PROSTY
(12694)

 
27

O-RING
(10370)

 
28

O-RING
(10508)

 
29

O-RING
(13428)

 
30

O-RING
(13429)

 
31

O-RING
(15512)

 
32

ŚRUBA Z ŁBEM WALCOWYM
(12810)

 
33

O-RING
(11843)

 
98

ZESTAW USZCZELNIEŃ
(11169)

 

powrót

Powyższe schematy należą do Rexroth www.boschrexroth.com
ZAUWAŻYŁEŚ BŁĄD? ZGŁOŚ GO »
ZAUWAŻYŁEŚ BŁĄD? ZGŁOŚ GO
×

Błąd został wysłany. Dziękujemy.