ROZWIŃ MENU ZWIŃ MENU

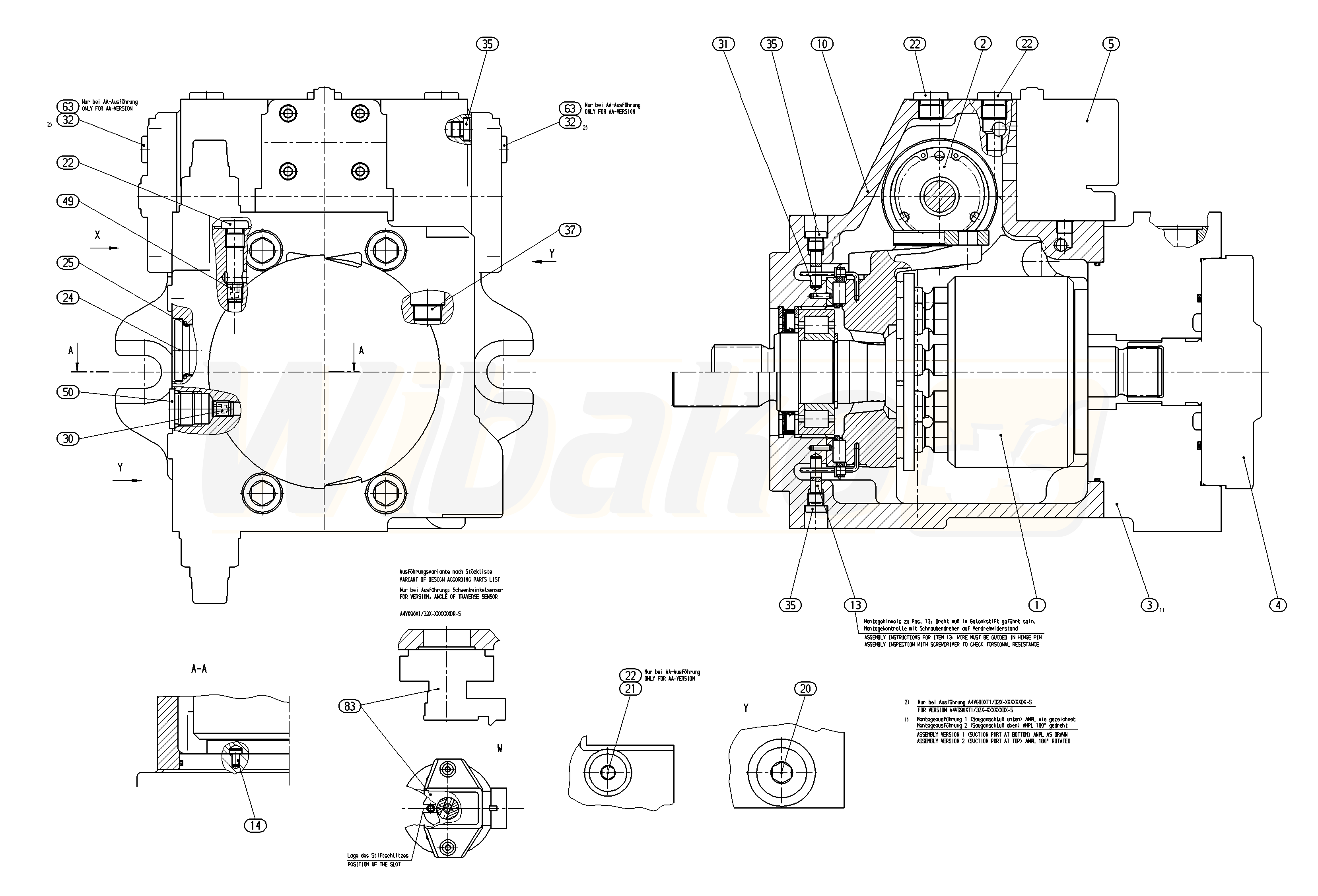
AA4VG90HD11/32L-NXFXXF001D-S (R902071895)

Pompa tłokowa osiowa o zmiennej objętości roboczej A4VG. Wielkość nominalna 90 cm3. Bez zaworu DA. Seria 3, indeks 2. Kierunek obrotów (patrząc na końcówkę wału): lewy. NBR (kauczuk nitrylowy), pierścień uszczelniający wału wykonany z FKM (kauczuk fluorowy).
1

MECHANIZM NAPĘDOWY
(63489)

GRUPA »

 
2

STEROWANIE
(60772)

GRUPA »

 
3

PŁYTA POŁĄCZENIOWA
(64048)

GRUPA »

 
4

POMPA ZĘBATA O ZAZĘBIENIU
(56784)

GRUPA »

 
5

MODUŁ STEROWANIA
(64056)

GRUPA »

 
10

KORPUS
(63966)

 
13

SWORZEŃ OBROTU
(10393)

 
14

SZTYFT POZYCJONUJĄCY
(10183)

 
20

KOREK GWINTOWANY
(14354)

 
22

KOREK GWINTOWANY
(11370)

 
24

KOREK GWINTOWANY
(12195)

 
25

O-RING
(10534)

 
30

DYSZA
(11101)

 
31

KOŁEK SPRĘŻYNUJĄCY
(10396)

 
35

KOREK GWINTOWANY
(10220)

 
37

KOREK GWINTOWANY
(10976)

 
49

DYSZA
(10400)

 
50

KOREK GWINTOWANY
(11369)

 

powrót

Powyższe schematy należą do Rexroth www.boschrexroth.com
ZAUWAŻYŁEŚ BŁĄD? ZGŁOŚ GO »
ZAUWAŻYŁEŚ BŁĄD? ZGŁOŚ GO
×

Błąd został wysłany. Dziękujemy.