ROZWIŃ MENU ZWIŃ MENU

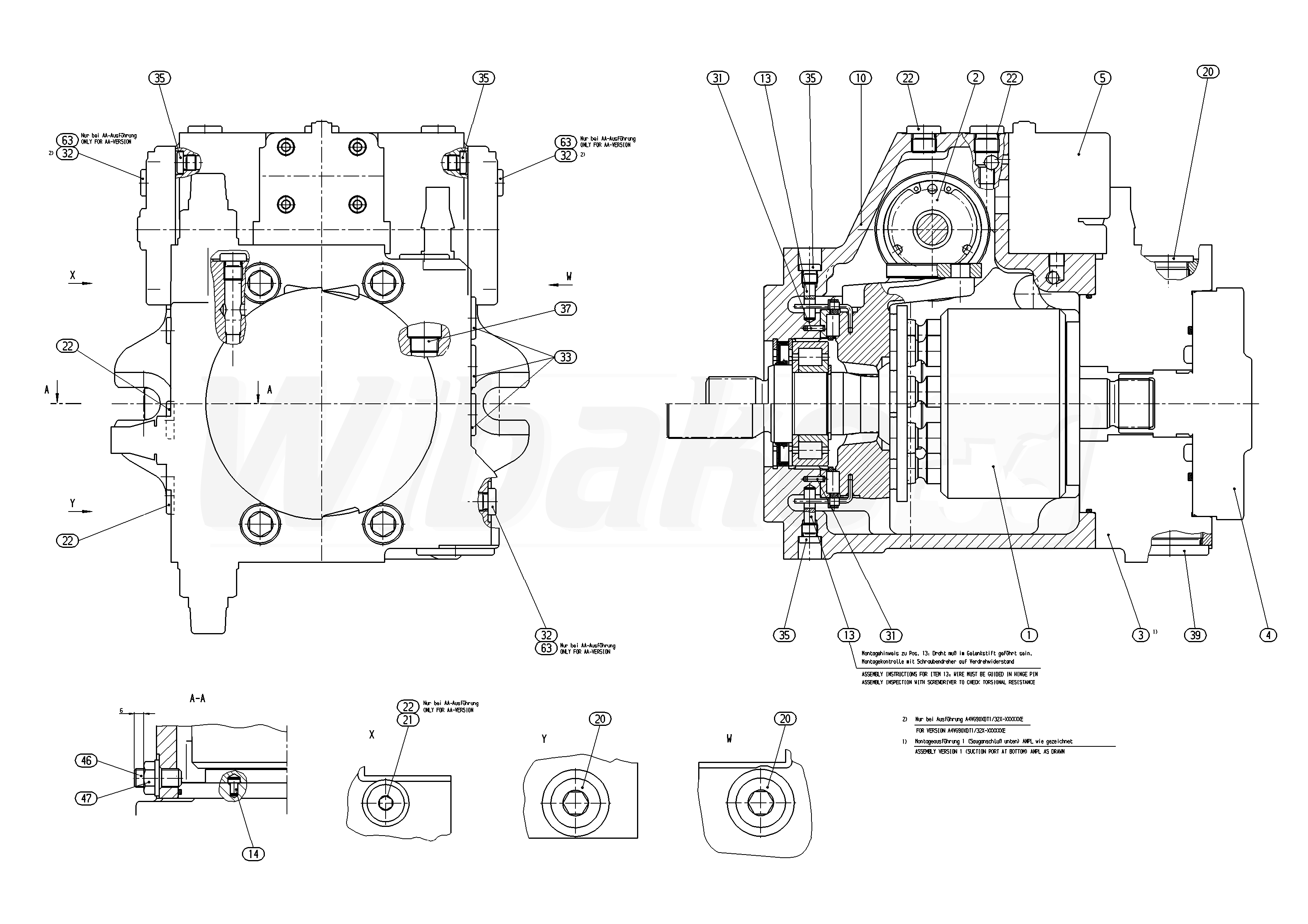
AA4VG90EP4D1/32R-NSFXXK071EP-S (R902122797)

Pompa tłokowa osiowa o zmiennej objętości roboczej A4VG. Wielkość nominalna 90 cm3. Przestawianie elektrohydrauliczne z zaworem proporcjonalnym, U = 24 V. Z wyłączeniem ciśnienia. Bez zaworu DA. Seria 3, indeks 2. Kierunek obrotów (patrząc na końcówkę wału): prawy. NBR (kauczuk nitrylowy), pierścień uszczelniający wału wykonany z FKM (kauczuk fluorowy). Wał zębaty ANSI B92.1a dla pompy pojedyńczej. Kołnierz łączący SAE J744 2+4 otwory.
1

MECHANIZM NAPĘDOWY
(14984)

GRUPA »

 
2

STEROWANIE
(19626)

GRUPA »

 
3

PŁYTA POŁĄCZENIOWA
(63538)

GRUPA »

 
4

WSPORNIK NOŚNY
(21554)

GRUPA »

 
5

MODUŁ STEROWANIA
(28047)

GRUPA »

 
10

KORPUS
(19256)

 
13

SWORZEŃ OBROTU
(10393)

 
14

SZTYFT POZYCJONUJĄCY
(10183)

 
20

KOREK GWINTOWANY
(14354)

 
21

KOREK GWINTOWANY
(11372)

 
22

KOREK GWINTOWANY
(11370)

 
31

KOŁEK SPRĘŻYNUJĄCY
(10396)

 
33

KOREK GWINTOWANY
(10397)

 
35

KOREK GWINTOWANY
(10220)

 
37

KOREK GWINTOWANY
(10976)

 
39

KOREK GWINTOWANY
(32173)

 
46

SZTYFT GWINTOWANY
(13380)

 
47

NAKRĘTKA USZCZELNIAJĄCA
(10399)

 
63

KOREK GWINTOWANY
(11371)

 

powrót

Powyższe schematy należą do Rexroth www.boschrexroth.com
ZAUWAŻYŁEŚ BŁĄD? ZGŁOŚ GO »
ZAUWAŻYŁEŚ BŁĄD? ZGŁOŚ GO
×

Błąd został wysłany. Dziękujemy.