ROZWIŃ MENU ZWIŃ MENU

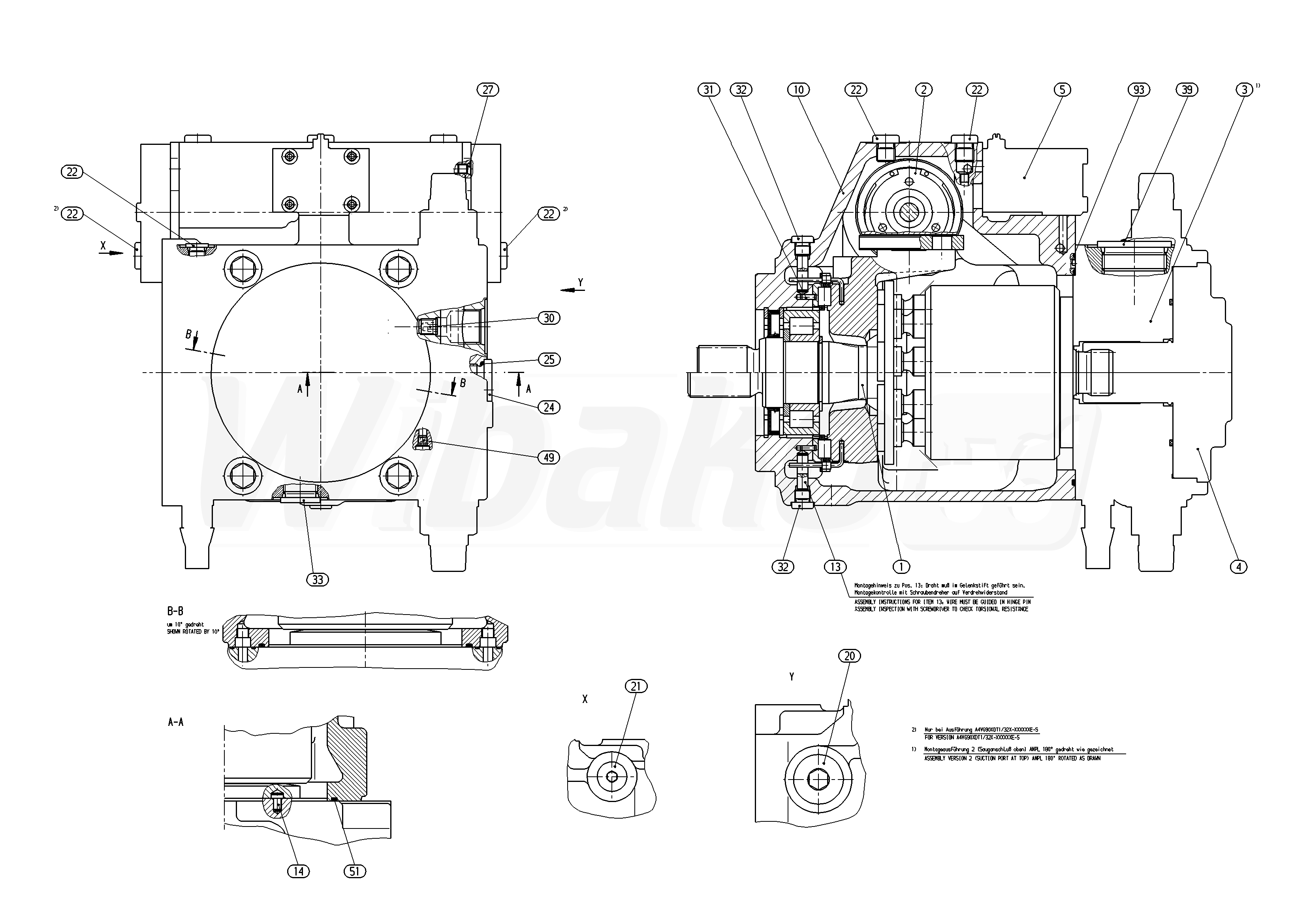
AA4VG90EP3D1/32R-NXF13K021EC-S *FNI* (R902198667)

Pompa tłokowa osiowa o zmiennej objętości roboczej A4VG. Wielkość nominalna 90 cm3. Przestawianie elektrohydrauliczne z zaworem proporcjonalnym, U = 12 V. Z wyłączeniem ciśnienia. Bez zaworu DA. Seria 3, indeks 2. Kierunek obrotów (patrząc na końcówkę wału): prawy. NBR (kauczuk nitrylowy), pierścień uszczelniający wału wykonany z FKM (kauczuk fluorowy).
1

MECHANIZM NAPĘDOWY
(63753)

GRUPA »

 
2

STEROWANIE
(16013)

GRUPA »

 
3

PŁYTA POŁĄCZENIOWA
(63754)

GRUPA »

 
4

WSPORNIK NOŚNY
(63228)

GRUPA »

 
5

MODUŁ STEROWANIA
(63755)

GRUPA »

 
10

KORPUS
(63775)

 
13

SWORZEŃ OBROTU
(10393)

 
14

SZTYFT POZYCJONUJĄCY
(10183)

 
20

KOREK GWINTOWANY
(14354)

 
21

KOREK GWINTOWANY
(11370)

 
22

KOREK GWINTOWANY
(11371)

 
24

KOREK GWINTOWANY
(12195)

 
25

O-RING
(10534)

 
27

PODWÓJNY KOREK ZRYWANY
(18990)

 
30

DYSZA
(10400)

 
31

KOŁEK SPRĘŻYNUJĄCY
(10396)

 
32

KOREK GWINTOWANY
(10220)

 
33

KOREK GWINTOWANY
(11369)

 
39

KOREK GWINTOWANY
(32173)

 
49

DYSZA
(10618)

 
51

O-RING
(12776)

 
93

O-RING
(10227)

 

powrót

Powyższe schematy należą do Rexroth www.boschrexroth.com
ZAUWAŻYŁEŚ BŁĄD? ZGŁOŚ GO »
ZAUWAŻYŁEŚ BŁĄD? ZGŁOŚ GO
×

Błąd został wysłany. Dziękujemy.