ROZWIŃ MENU ZWIŃ MENU

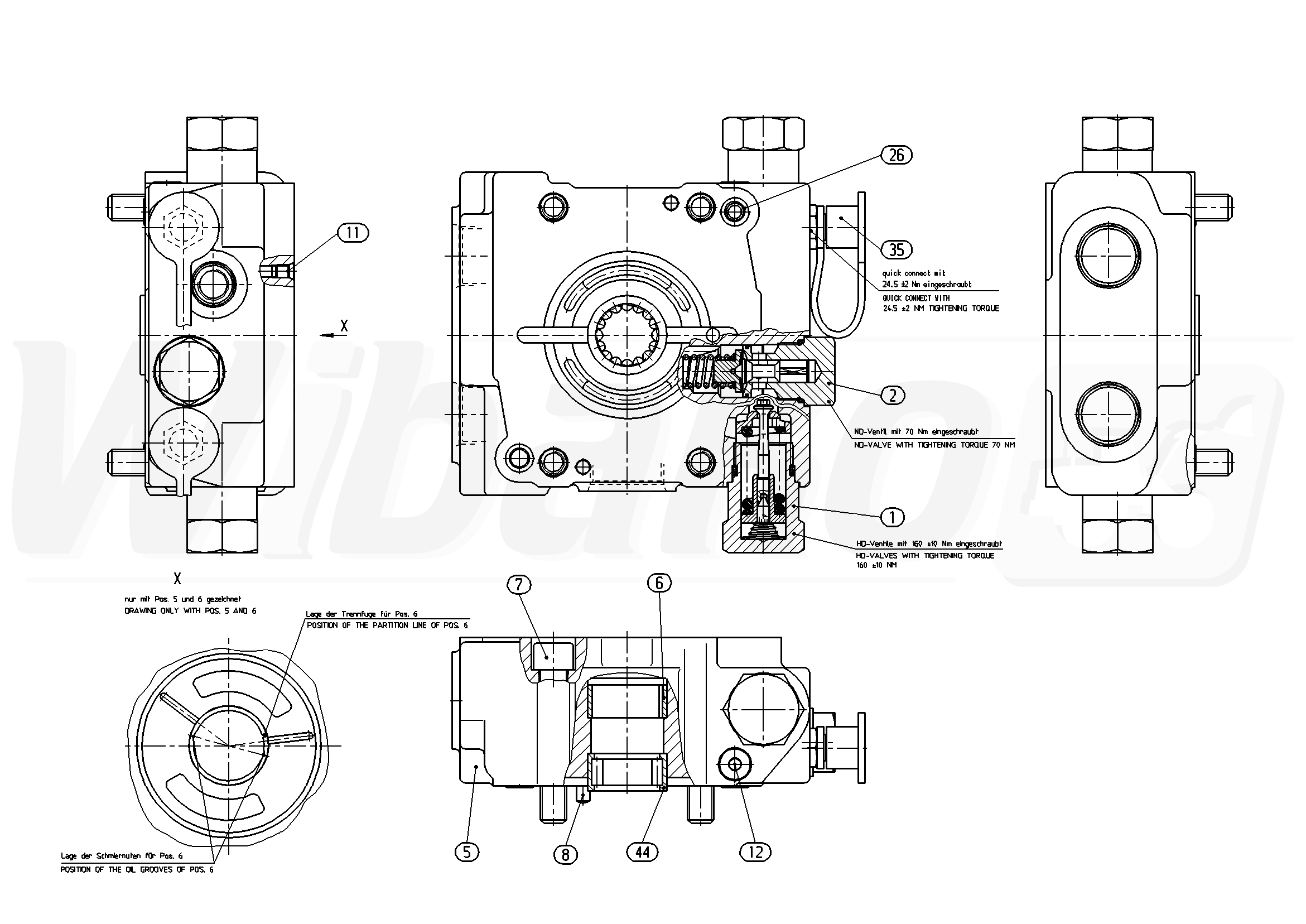
AA10VG28EP31/10R-NSC66F023SH-S (R902116313)
PŁYTA POŁĄCZENIOWA (208282)

PŁYTA POŁĄCZENIOWA
(208282)

 
1

HYDRAULICZNY ZAWÓR UPUSTOWY
(13952)

GRUPA »

 
2

HYDRAULICZNY ZAWÓR UPUSTOWY
(10864)

GRUPA »

 
5

PŁYTA POŁĄCZENIOWA
(102870)

 
6

TULEJA ŁOŻYSKA
(18564)

 
7

ŚRUBA Z ŁBEM WALCOWYM
(11415)

 
8

SZTYFT PROSTY
(11416)

 
11

PODWÓJNY KOREK ZRYWANY
(18990)

 
12

KOREK GWINTOWANY
(10220)

 
26

O-RING
(10227)

 
35

WTYCZKA POŁĄCZENIOWA
(19544)

 
44

ŁOŻYSKO WAŁECZKOWE
(10185)

 
98

ZESTAW USZCZELNIEŃ
(13678)

 

powrót

Powyższe schematy należą do Rexroth www.boschrexroth.com
ZAUWAŻYŁEŚ BŁĄD? ZGŁOŚ GO »
ZAUWAŻYŁEŚ BŁĄD? ZGŁOŚ GO
×

Błąd został wysłany. Dziękujemy.