ROZWIŃ MENU ZWIŃ MENU

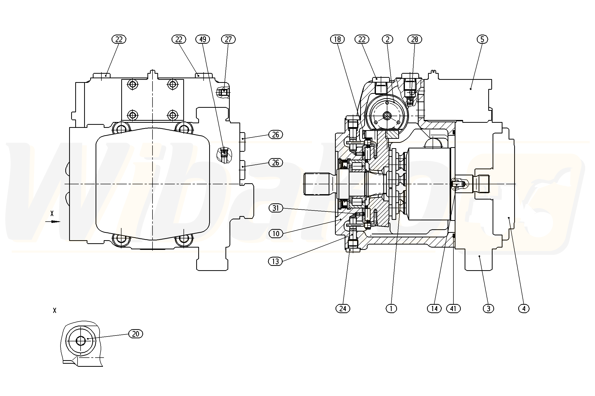
AA10VG18EP31/10R-NSC66K013EH-S (R902114595)

1

MECHANIZM NAPĘDOWY
(23998)

GRUPA »

 
2

STEROWANIE
(14787)

GRUPA »

 
3

PŁYTA POŁĄCZENIOWA
(207625)

GRUPA »

 
4

WSPORNIK NOŚNY
(144751)

GRUPA »

 
5

MODUŁ STEROWANIA
(97838)

GRUPA »

 
10

KORPUS
(207461)

 
13

SWORZEŃ OBROTU
(10393)

 
14

SZTYFT PROSTY
(14612)

 
18

ŚLIZG
(14791)

 
20

KOREK GWINTOWANY
(11372)

 
22

KOREK GWINTOWANY
(11371)

 
24

KOREK GWINTOWANY
(10220)

 
26

KOREK GWINTOWANY
(11370)

 
27

PODWÓJNY KOREK ZRYWANY
(18990)

 
28

DYSZA
(10073)

 
31

KOŁEK SPRĘŻYNUJĄCY
(10396)

 
41

O-RING
(12674)

 
49

ZAŚLEPKA
(12198)

 
98

ZESTAW USZCZELNIEŃ
(14792)

 

powrót

Powyższe schematy należą do Rexroth www.boschrexroth.com
ZAUWAŻYŁEŚ BŁĄD? ZGŁOŚ GO »
ZAUWAŻYŁEŚ BŁĄD? ZGŁOŚ GO
×

Błąd został wysłany. Dziękujemy.