ROZWIŃ MENU ZWIŃ MENU

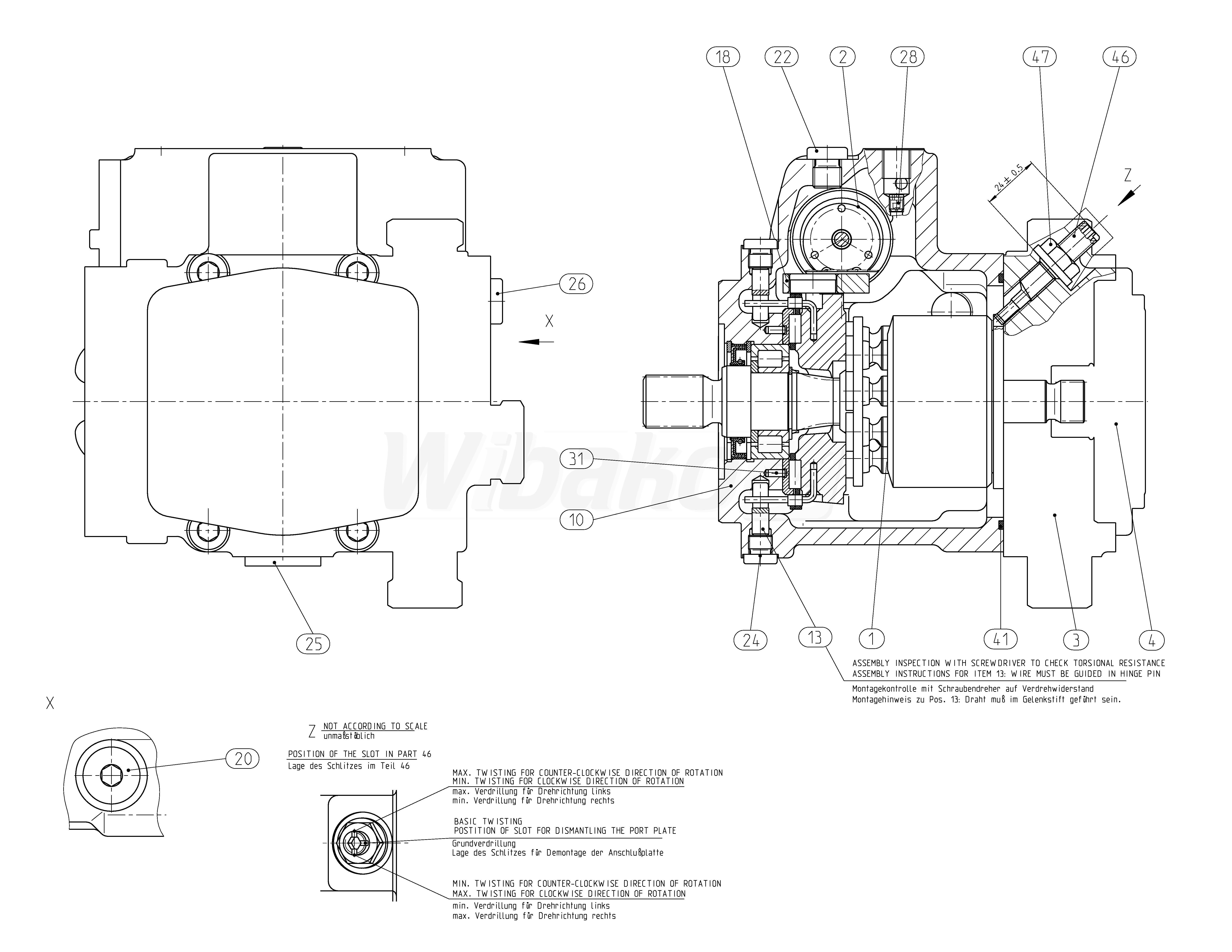
AA10VG18DGX1/10R-NXC66K023E-S (R902205603)

41

O-RING
(12674)

 
46

ŚRUBA MIMOŚRODOWA
(16001)

 
47

NAKRĘTKA USZCZELNIAJĄCA
(10815)

 
50

KOREK GWINTOWANY
(14354)

 
98

ZESTAW USZCZELNIEŃ
(84187)

 
1


(207389)

GRUPA »

 
2


(207361)

GRUPA »

 
3


(207390)

GRUPA »

 
4


(207353)

GRUPA »

 
10


(207341)

 
13


(10393)

 
18


(14791)

 
20


(11372)

 
22


(11371)

 
24


(10220)

 
26


(11370)

 
28


(10073)

 
31


(10396)

 

powrót

Powyższe schematy należą do Rexroth www.boschrexroth.com
ZAUWAŻYŁEŚ BŁĄD? ZGŁOŚ GO »
ZAUWAŻYŁEŚ BŁĄD? ZGŁOŚ GO
×

Błąd został wysłany. Dziękujemy.