ROZWIŃ MENU ZWIŃ MENU

A10VG28DG2/10+A10VG28DG1/10 (R902110531)
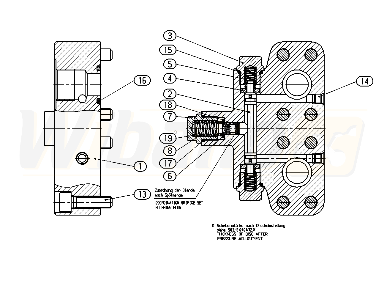
ZAWÓR PRZEPŁUKUJĄCY (22661)

ZAWÓR PRZEPŁUKUJĄCY
(22661)

 
1

PŁYTA ZAWOROWA
(23282)

 
2

TŁOK W UKŁADZIE PRZEPŁUKIWANIA
(21933)

 
3

KOREK GWINTOWANY
(11712)

 
4

PODKŁADKA
(11714)

 
5

SPRĘŻYNA DOCISKOWA
(11715)

 
6

TŁOK (SUWAK) ZAWORU
(19711)

 
7

KOREK GWINTOWANY
(11713)

 
8

SPRĘŻYNA DOCISKOWA
(11716)

 
13

ŚRUBA Z ŁBEM WALCOWYM
(15250)

 
14

PODWÓJNY KOREK ZRYWANY
(19009)

 
15

O-RING
(11719)

 
16

O-RING
(13726)

 
17

O-RING
(11718)

 
18

PIERŚCIEŃ ZABEZPIECZAJĄCY
(11722)

 
19

PODKŁADKA OKRĄGŁA POZIOMUJĄCA
(11723)

 
19

PODKŁADKA OKRĄGŁA POZIOMUJĄCA
(11724)

 
19

PODKŁADKA OKRĄGŁA POZIOMUJĄCA
(11725)

 

powrót

Powyższe schematy należą do Rexroth www.boschrexroth.com
ZAUWAŻYŁEŚ BŁĄD? ZGŁOŚ GO »
ZAUWAŻYŁEŚ BŁĄD? ZGŁOŚ GO
×

Błąd został wysłany. Dziękujemy.