ROZWIŃ MENU ZWIŃ MENU

AA10VO28FE1/31R-PSC12N00-SO203 (R910983091)
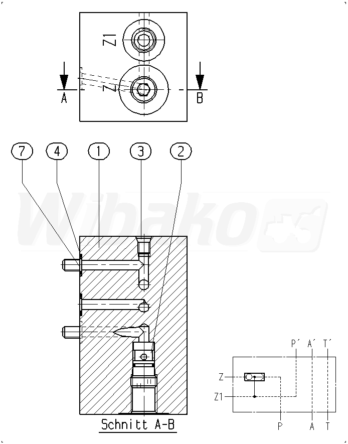
PŁYTA POŚREDNIA (113408)

PŁYTA POŚREDNIA
(113408)

 
1

PŁYTA POŚREDNIA
(113413)

 
2

ZAWÓR KIERUNKOWY
(21028)

 
3

PODWÓJNY KOREK ZRYWANY
(18990)

 
4

O-RING
(18405)

 
7

ŚRUBA Z ŁBEM WALCOWYM
(16351)

 

powrót

Powyższe schematy należą do Rexroth www.boschrexroth.com
ZAUWAŻYŁEŚ BŁĄD? ZGŁOŚ GO »
ZAUWAŻYŁEŚ BŁĄD? ZGŁOŚ GO
×

Błąd został wysłany. Dziękujemy.