ROZWIŃ MENU ZWIŃ MENU

AA4VG90EP3D1/32R-NSF52F041DP-S (R902249671)
POMPA ZĘBATA O ZAZĘBIENIU (62734)

POMPA ZĘBATA O ZAZĘBIENIU
(62734)

 
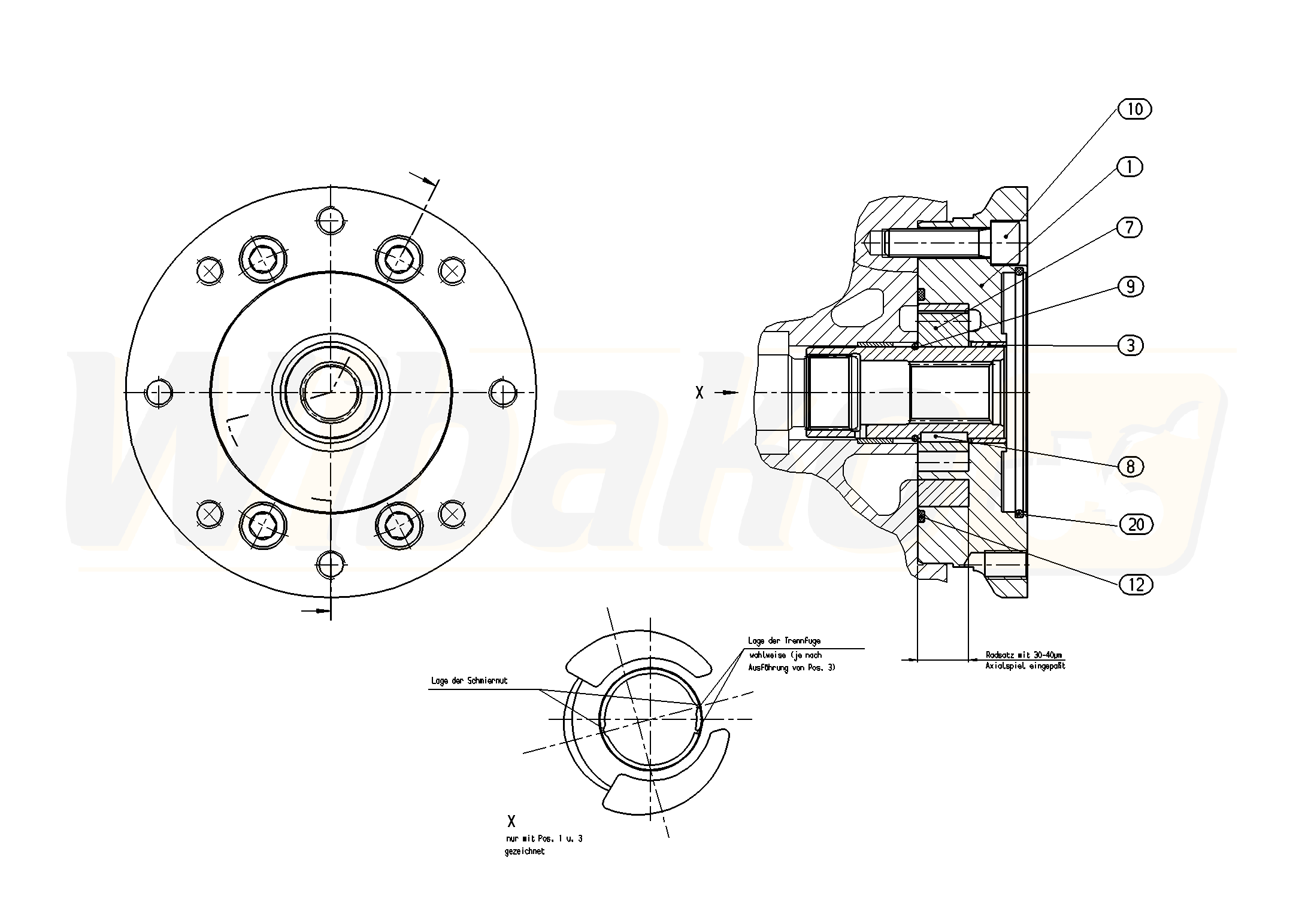
1

KOŁNIERZ BEZPOŚREDNI
(62744)

 
3

TULEJA ŁOŻYSKA
(19095)

 
5

WAŁ NAPĘDU POŚREDNIEGO
(57633)

 
7

PODZESPÓŁ KOŁA
(12798)

 
8

WPUST PRYZMATYCZNY
(12799)

 
9

PIERŚCIEŃ ZATRZASKOWY
(10491)

 
10

ŚRUBA Z ŁBEM WALCOWYM
(15954)

 
12

O-RING
(10461)

 
20

O-RING
(26141)

 

powrót

Powyższe schematy należą do Rexroth www.boschrexroth.com
ZAUWAŻYŁEŚ BŁĄD? ZGŁOŚ GO »
ZAUWAŻYŁEŚ BŁĄD? ZGŁOŚ GO
×

Błąd został wysłany. Dziękujemy.