ROZWIŃ MENU ZWIŃ MENU

A6VM107HA1/60W-PZB027A-S (R909423372)
STEROWANIE (175868)

STEROWANIE
(175868)

 
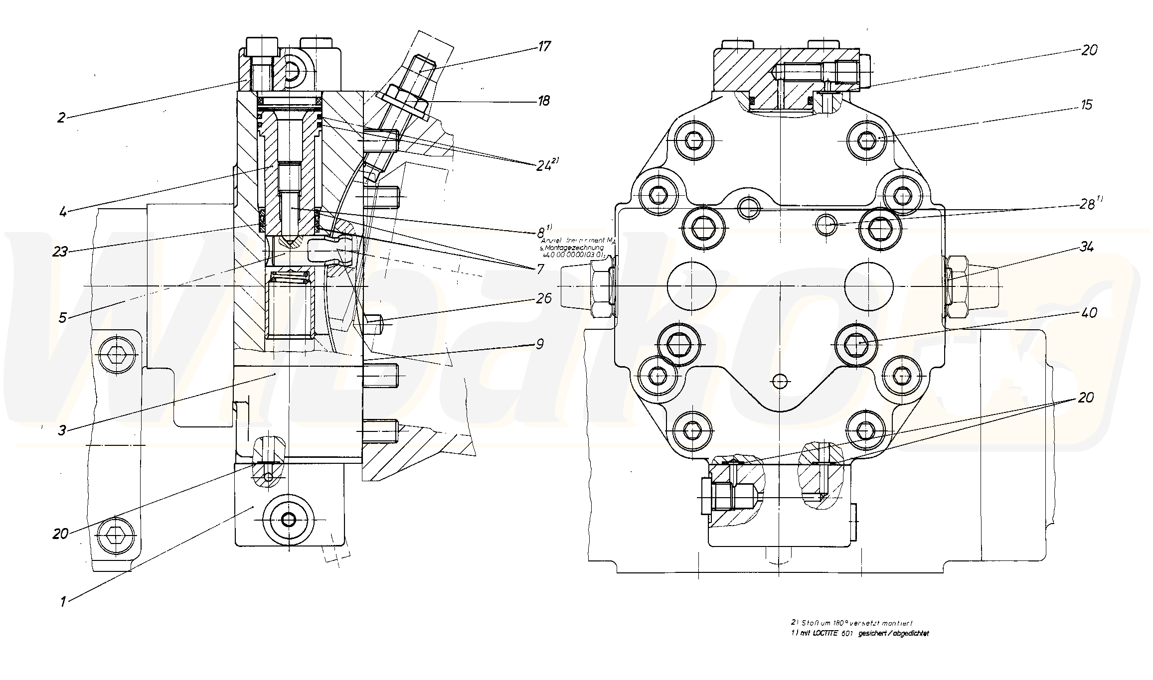
1

ELEMENT STERUJĄCY
(167808)

GRUPA »

 
2

POKRYWA
(16447)

GRUPA »

 
3

PŁYTA POKRYWY
(175870)

 
4

TŁOK POZYCJONUJĄCY
(15132)

 
5

SWORZEŃ POZYCJONUJĄCY
(11655)

 
7

PIERŚCIEŃ DOCISKOWY
(15133)

 
8

SZTYFT GWINTOWANY
(11049)

 
9

USZCZELKA
(15134)

 
15

ŚRUBA Z ŁBEM WALCOWYM
(10346)

 
17

SZTYFT GWINTOWANY
(11296)

GRUPA »

 
18

NAKRĘTKA USZCZELNIAJĄCA
(11057)

 
20

O-RING
(11087)

 
23

USZCZELNIENIE TŁOCZYSKA
(15135)

 
24

R-PIERŚCIEŃ OKRĄGŁY
(10333)

 
26

SZTYFT PROSTY
(10223)

 
28

PODWÓJNY KOREK ZRYWANY
(19009)

 
34

KOREK GWINTOWANY
(10090)

 
40

ŚRUBA Z ŁBEM WALCOWYM
(14961)

 

powrót

Powyższe schematy należą do Rexroth www.boschrexroth.com
ZAUWAŻYŁEŚ BŁĄD? ZGŁOŚ GO »
ZAUWAŻYŁEŚ BŁĄD? ZGŁOŚ GO
×

Błąd został wysłany. Dziękujemy.